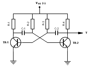
В данной статье мы поговорим о генераторе прямоугольных импульсов, называемом мультивибратором. И так охотно поделюсь с вами знаниями, усвоенными на 3 курсе по дисциплине компьютерная электроника. Мультивибратор - релаксационный генератор электрических колебаний прямоугольного типа с крутыми фронтами.

Рубрика: Технический раздел
Авторы: Крип В. О. (ДРЭ-КС9-1)
Просмотров (34357) Комментариев (10) Опубликовано: 12.10.11 03:32

Компания Google представила язык программирования Dart, предназначенный для создания веб-приложений.
Рубрика: Интересные факты
Авторы: Коваленко Н.А.
Просмотров (28530) Комментариев (6) Опубликовано: 11.10.11 13:14
09.11.11 Харьковская филармония порадовала нас сказочной историей о самом важном, постановкой "Маленький принц" плюс еще добавили 3D анимацию. На мой взгляд, то что обещали постановщики "уникальное содружество света, слова и музыки", и то что получилось совсем разные вещи.

Вашему вниманию фотоотчет и впечатления автора.
Рубрика: Мероприятия
Авторы: Супрун О. В. (ДРЭ-КС9-1)
Просмотров (27786) Комментариев (14) Опубликовано: 10.10.11 13:28
На сайте появился блок "Рейтинг студентов". Как зарабатывать рейтинг и зачем он нужен написано здесь.
Этот блок находится справа между блоками ВКонтакте.
Проявляйте активность, зарабатывайте рейтинг и будьте в курсе какой рейтинг у остальных.
Рубрика: История сайта
Авторы: Коваленко Н.А.
Просмотров (27053) Комментариев (1) Опубликовано: 09.10.11 06:03
Добавлен новый блок "Последние комментарии". Он находится слева под меню.
Теперь Вы не пропустите ни одного обсуждения статей сайта и можете принимать в них активное участие.
Рубрика: История сайта
Авторы: Коваленко Н.А.
Просмотров (26970) Комментариев (0) Опубликовано: 09.10.11 05:32

Поздравляем заведующего кафедрой РКС Хуторненко Сергея Владимировича с Днем Рождения.
Желаем здоровья, счастья, творческих успехов и вдохновения, удачи и дальнейшего процветания на посту!!!
Рубрика: Объявления
Авторы: коллектив кафедры
Просмотров (46665) Комментариев (1) Опубликовано: 08.10.11 16:07

Наша академия оплачивает академическую лицензию на ПО фирмы Microsoft для факультета КТУН, подразделением которого является наша кафедра РКС. Особенность академической лицензии состоит в том, что все преподаватели и студенты факультета могут использовать данное лицензионное ПО на своих личных машинах не только в академии, а и дома абсолютно бесплатно (академия уже все оплатила за Вас).
Рубрика: Технический раздел
Авторы: Коваленко Н.А.
Просмотров (28042) Комментариев (28) Опубликовано: 03.10.11 10:14

День работника образования
Поздравляем коллектив кафедры РКС и всех работников образования с Днем работника образования и желаем всего наилучшего.
Рубрика: Интересные факты
Авторы: Супрун О.В.
Просмотров (29020) Комментариев (1) Опубликовано: 02.10.11 14:04

